Cтрана происхождения Венгрия
Номинальное напряжение 1 x 230 В
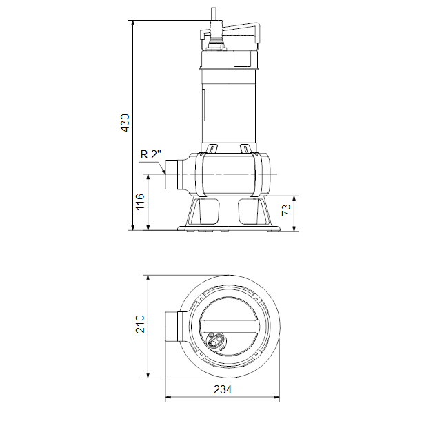
Выход насоса Rp 1 1/2"
Область применения Дренаж
Марка UNILIFT AP35B.50.06.1V 1x230V 10m Sch
Купить дренажный насос UNILIFT AP35B.50.06.1V 1x230V 10m Sch
Дренажный насос — это эффективное устройство для быстрого и надежного перекачивания чистой и загрязненной воды с твердыми частицами до 6 мм. Надежная конструкция, выполненная из нержавеющей стали AISI 304, обеспечивает долговечность и устойчивость к агрессивным средам.
Где можно использовать насос?
Этот насос — универсальный помощник в различных сферах:
- Отведение воды из затопленных помещений — в подвалах, гаражах, строительных котлованах.
- Откачивание воды из природных водоемов — рек, прудов, бассейнов, обеспечение циркуляции и аэрации.
- Использование на стройплощадках и в промышленности — для дренажа и осушения рабочих зон.
- Очистные сооружения — эффективен для небольших систем водоотведения.
Продуманная конструкция для надежной работы
Одноступенчатый погружной насос с вертикальным напорным патрубком и сетчатым фильтром в основании. Он оснащен 10-метровым кабелем, что делает его удобным для установки в разных условиях. Все элементы, контактирующие с водой, выполнены из нержавеющей стали AISI 304, обеспечивая надежность и долговечность.
Мощный электродвигатель с защитой
Насос может комплектоваться однофазным (1×230 В) или трехфазным (3×400 В) асинхронным электродвигателем.
Однофазные модели оснащены встроенным тепловым реле и не требуют дополнительной защиты.
Трехфазные модели требуют внешней защиты, так как не имеют встроенного реле.
Степень защиты IP 68, класс изоляции B (130 °C), выдерживает до 30 запусков в час.
Долговечность и простота обслуживания
Насос оснащен двойным торцевым механическим уплотнением:
- Со стороны электродвигателя: графит/карбид кремния.
- Со стороны насоса: карбид кремния/карбид кремния.
Вал из нержавеющей стали установлен на шарикоподшипниках, не требующих обслуживания, что снижает затраты на эксплуатацию.
Сочетание надежности, эффективности и универсальности. Выбирайте проверенное решение для работы с водой!